| 品牌JAKOB | 有效期至长期有效 | 最后更新2023-07-28 16:24 | 
| 浏览次数2 | 
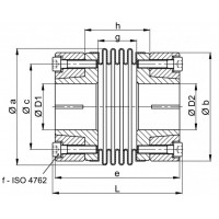
德国JAKOB联轴器KPS60直接安装在空心轴上
JAKOB拥有 40 多年的经验,是伺服驱动行业机械部件的供应商之一。首先,我们用于驱动技术的联轴器和用于工件夹紧的夹紧元件在市场上树立了新标准。现在,我们又开发了用于主轴保护的电机安全系统,凸显了我们的高度创新能力。我们将自己视为新技术创新的推动者,利用 JAKOB集团所有产品的协同作用。
| 邱佳悦 QQ:2850590586 手机:13370157291 电话:010-64717020-117 传真:010-84786709-666 邮件:sales3@handelsen.cn |  |  | 
主要产品:
JAKOB伺服联轴器
JAKOB安全联轴器
JAKOB夹紧元件
JAKOB安全系统
JAKOB分段轨道联轴器
金属波纹管联轴器KHS系列
- 两侧锥形轮毂 - 铝质设计
- 高速型",转速高达 57.000 转/分钟
- 低质量惯性矩 - 高平衡质量
- 扭矩范围:25 - 700 牛米
- 轴直径:6 - 60 毫米
型号示例:
JAKOB联轴器KHS25
JAKOB联轴器KHS50
JAKOB联轴器KHS80
JAKOB联轴器KHS220
JAKOB联轴器KHS450
JAKOB联轴器KHS700
 
 
金属波纹管联轴器KPS系列
- 用于直接安装在空心轴上
- 4 波纹管 - 短设计
- 扭矩范围: 2 - 600 牛米
- 轴直径 D1: 3 - 68 mm / D2: 8 - 48 mm
- 内部轴向缓冲器
型号示例:
JAKOB联轴器KPS2
JAKOB联轴器KPS8
JAKOB联轴器KPS20
JAKOB联轴器KPS60
JAKOB联轴器KPS170
JAKOB联轴器KPS400
JAKOB联轴器KPS600
德国JAKOB联轴器KPS60直接安装在空心轴上
 客服热线:
客服热线:
 
             
               
                       
 


 
           
            
















